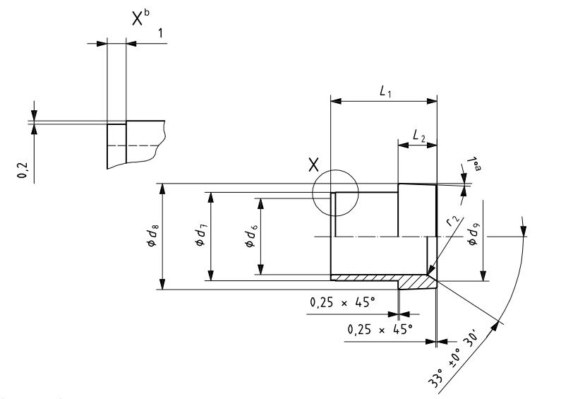
SAE J514 طول و عرض کی تفصیلات JIC ٹیوب آستین - ایم ایس ایل (میٹرک نلیاں کے لئے) اور آئی ایس ایل (انچ ٹائکنگ کے لئے).

میٹرک اور انچ ٹینگنگ کے لئے آستین کی طول و عرض
ملی میٹر میں ابعاد میٹرک ٹھنڈا ایک انچ ٹچنے والی ٹیوب OD D 6 ٹیوب OD D 6 D 7 D 8 D 9 L 1 L 2 R 2 mm ± 0،05 mm ملی میٹر B ± 0،05 ± 0،05 ± 0،05 ± 0 15 ± 1 ± 0،5 ± 0،3

6 6،18 1/4 6،35 6،55 7.5 9.7 8 10،4 3،6 0.8
8 818 5/16 7،94 8،15 9،25 11،25 9،5 11،2 4.1 0
10 10،18 3/8 9،52 9.7 10،95 12.7 11،2 12.7 4،3 1،2
12 12،18 1/2 12.7 12،9 14،25 17.3 15 14،2 5.6 1،6
16 16،2 5/8 15،88 16،1 17،45 20،2 17.9 16،8 6،1 1،6
- 3/4 19،05 19،25 20،95 24،65 22،4 17.3 6.6 2
20 20،2 - - - 21.6 24،65 22.4 17.3 6.6 2
25 25،2 1 25،4 25،6 27،45 31 28،7 19.8 7،1 2،4
30 30.3 - - - 32،3 38،9 35،9 23،1 7.9 2،4
32 32.3 1 1/4 31،75 32،05 33،95 38.9 35،9 23،1 7.9 2،4
38 38،4 1 1/2 38،1 38،4 40،85 45،25 41،4 28،4 8.6 2،8
50 50،4 2 50،8 51،2 54،75 61،15 55،8 30،2 10،4 2،8
نئے اور مستقبل کے ڈیزائن کے لئے ایک میٹرک ٹائکنگ کو ترجیح دی جائے گی.
ملی میٹر میں بی برابر مساوات.






